Adecuado para aplicaciones de alta vibración;
Fuente de alimentación de bajo consumo de 3.3V;
Puerto de comunicación serial UART, capaz de proporcionar salida de onda sinusoidal;
Compatible con pines SA.45;
Sincronización de entrada 1PPS y salida PPS;
Salida TOD.
Especificaciones principales

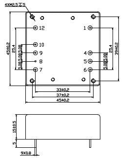
Configuración externa
Conexión de pines
Mensaje en Línea
Sugerencia Relacionada
CONTÁCTENOS
Utilice el siguiente formulario para ponerse en contacto.
Si necesita una respuesta, nos pondremos en contacto lo antes posible.