MODELO: SOXO14VF100MCSG
Características
Ruido de fase ultra bajo bajo vibración (-150dBc/Hz@1kHz)
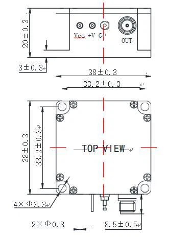
Paquete miniatura (38mm×38mm×20mm)
Parámetros electrónicos
Paquete

Descripción de los pines
VCO: Entrada de voltaje de control
+V: Voltaje de alimentación
G: Caja a tierra
OUT: Salida de RF
RUIDO DE FASE SSB TÍPICO BAJO VIBRACIÓN

Notas: Para otras frecuencias o requisitos especiales, consulte con el proveedor.
Mensaje en Línea
Sugerencia Relacionada
CONTÁCTENOS
Utilice el siguiente formulario para ponerse en contacto.
Si necesita una respuesta, nos pondremos en contacto lo antes posible.