Características
Diseño miniatura;
Consumo ultra bajo de energía;
Puerto de comunicación serial UART;
Compatible con pines SA.45;
Sincronización de entrada 1PPS y salida 1PPS.
Especificaciones principales
Frecuencia de salida | 10MHz |
Nivel eléctrico de salida | Nivel CMOS, 0V~Vcc, impedancia de salida 1MΩ |
Precisión de frecuencia al enviar | 5E-11 |
Estabilidad a corto plazo | 3.0E-10/1S1.0E-10/10S3.0-11/100S |
Ruido de fase (SSB) | @10Hz | -70dBc/Hz |
@100Hz | -113dBc/Hz |
@1KHz | -128dBc/Hz |
@10KHz | -135dBc/Hz |
Deriva de frecuencia | ≤9E-11/mes |
Consumo en estado estable (temperatura normal, 25℃) | ≤150mW @3.3V |
Fuente de energía | 3.3V±0.1V |
Rendimiento de calentamiento (25℃) | ≤3 min bloqueado |
Rango de ajuste de frecuencia | ±2E-8 |
Función de sincronización de entrada 1PPS | Nivel bajo 0V-0.3V, nivel alto 2.3V-3.0V, impedancia de entrada 1MΩ |
Precisión disciplinada de entrada 1PPS | Nivel bajo <0.3V, nivel alto 2.3V-3.0V, impedancia de entrada 1MΩ |
Mantenimiento | ≤5μs (diferencia de tiempo de mantenimiento de 24 horas después de un día de disciplina) |
Función de sincronización externa de segundos | La precisión de sincronización 1PPS es mejor que ±100ns |
Precisión disciplinada externa de segundos | ≤5E-12 (diferencia de tiempo de mantenimiento de 24 horas después de un día de disciplina) |
Temperatura de operación | -40℃~+70℃ (+80℃ opcional) |
Precisión de temperatura | ≤1E-9 (5E-10 opcional) |
Temperatura de almacenamiento | -55℃~+85℃ |
MTBF | >100,000 horas |
Embalaje | Paquete dual en línea de 12 pines |
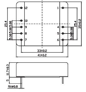
Tamaño externo | 41*35*11.7 (mm3) |
Peso | ≤35g |

Dimensiones externas
Número de pines | Nombre de la característica | Número de pines | Nombre de la característica |
1 | NC | 7 | +3.3V |
2 | N/A | 8 | GND |
3 | N/A | 9 | Entrada 1PPS |
4 | Indicación de bloqueo | 10 | Salida 1PPS |
5 | TXD | 11 | N/A |
6 | RXD | 12 | Salida 10MHZ |
Función de los pines